Potentzial transformatzailea PT
13,8 Kv-ko potentzial transformadore monofasikoa azpiestazioko
  • 13,8 Kv-ko potentzial transformadore monofasikoa azpiestazioko13,8 Kv-ko potentzial transformadore monofasikoa azpiestazioko

13,8 Kv-ko potentzial transformadore monofasikoa azpiestazioko

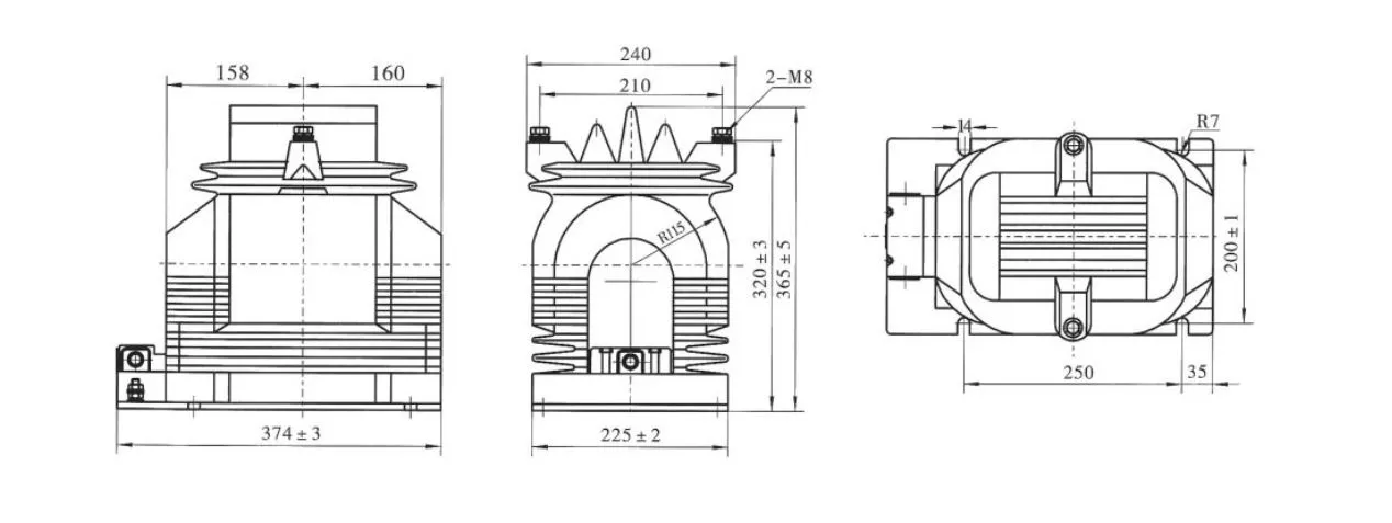
Azpiestazioko 13,8 kv-ko fase bakarreko potentzial transformadore fidagarria ekoizteko, Wenzhou XiFa Electric Power Equipment Co., Ltd-k CRGO altzairu elektriko premium hartzen du nukleoaren material nagusi gisa galera-balioa murrizteko eta zehaztasun-klasea hobetzeko, eta indar handiko kobre-haria esmaltatua bobinaren material nagusi gisa bira-ratioa bermatzeko eta biratzeko isolamendua doitasunez haizearen bidez. Are gehiago, azpiestazioko 13,8 kv fase bakarreko potentzial transformadore bakoitzak epoxi erretxina hutsean galdaketaren ekoizpen-prozesua hartzen du hezetasuna xurgatzen erraza ez den solidotutako egitura orokor bat egiteko, ingurune bero, heze eta hautstsuetarako egokia dena.

Produktuaren Ezaugarriak:

Azpiestazioko 13,8 Kv-ko potentzial transformadore monofasikoa 13,8 kv-ko tentsio primarioa bigarren mailako tentsio estandarrera jaisteko diseinatuta dago, hala nola 100 edo 110 volt-era. Tentsio murriztua harilkatu paraleloetara hornitzen da tresnak eta babes-erreleak neurtzeko, tentsio primarioko neurketak zeharka tentsio baxuko tresnekin egin ahal izateko. Planteamendu horrek tresnaren diseinua sinplifikatzen du, kostuak aurrezten ditu eta ekipoen eta langile eragilearen segurtasuna bermatzen du.


13,8 kv fase bakarreko potentzial transformadore baten funtzionamendu-printzipioa potentzia banatzeko transformadore baten berdina da, zeinaren transformazio-erlazioa bobina primario eta sekundarioen bira kopuruaren arabera zehazten da. Bigarren mailako bira kopurua handitzeak ratioa murrizten du, eta lehen bira kopurua handitzeak gora egiten du. Garrantzitsua da kontutan izan behar da inolaz ere 13,8 kv-ko potentzial-transformadore monofasiko baten zirkuitu sekundarioa ez dela zirkuitu laburtu behar funtzionamenduan.

13 8 Kv Single Phase Potential Transformer In Substation

Fitxa teknikoa:

Mota Tentsio-erlazioa (kV) Zehaztasun Klasea Zehaztasun klasea eta irteera nominala cosΦ=0,8 Max. Irteera (VA)
0.2 0.5 1 6 (P)
JDZ11-15 (15/√3)/(0,1/√3)/(0,1/3) 0,2/6P 0,5/6P 1/6P 30 80 150 100 400
JDZ11-20 (20/√3)/(0,1/√3)/(0,1/3)
JDZ11-15 (15/√3)/(0,1/√3)/(0,1/√3)/(0,1/3) 0,2/0,2/6P 0,2/0,5/6P 15 20 N/A 100 2*200
JDZX11-20 (20/√3)/(0,1/√3)/(0,1/√3)/(0,1/3)

13 8 Kv Single Phase Potential Transformer In Substation

Produktuen ohiko galderak:

G: Nola desberdina da 13,8 kv-ko potentzial transformadore monofasiko bat 13,8 kv-ko potentzia-transformadore batekin?

E: Biak tentsioa bihurtzeko gailuak diren arren, 13,8 kv-ko potentzial transformadore monofasiko bat neurtzeko eta babesteko diseinatuta dago, potentzia transferitzeko beharrean. Bere zama nominala nahiko txikia da, normalean VAtan adierazita, potentzia-transformadoreek, berriz, kVA edo MVAtan zenbatzen duten balio handiagoko kargak maneiatzen dituzte.


G: Zein isolamendu-metodo erabiltzen dira 13,8 kv fase bakarreko potentzial transformadore batean?

A: Gehienakpotentzial transformadoreaktentsio-maila honetan, erabili barruko zerbitzuetarako epoxi-erretxinazko isolamenduak edo kanpoko instalazioetarako portzelana/silikonazko karkasak. Diseinu batzuek olioz murgildutako isolamendua erabiltzen dute bizitza luzeagoa eta ahalmen termiko handiagoa lortzeko.


G: Nola konektatu behar da 13,8 kV fase bakarreko potentzial transformadore bat azpiestazio batean?

A: Fasetik lurrera neurtzeko, PT primarioa fase baten eta lurraren artean konektatuta dago. Sistema trifasiko batean, fase bakarreko PT multzo bat edo PT unitate trifasiko bat erabil daiteke lineaz linea eta lineatik lurrerako tentsioak neurtzeko.


G: Zer arazo sor daitezke azpiestazioetako 13,8 kV-ko potentzial monofasikoko transformadoreekin?

A: Ohiko arazoen artean, isolamenduaren degradazioa, ferro-erresonantzia etenketa-baldintza batzuetan, gehiegizko kargaren ondoriozko berotzea eta tentsio arriskutsuak sor ditzaketen bigarren mailako zirkuitu irekiak daude.



Hot Tags: 13,8 Kv fase bakarreko potentzial transformatzailea azpiestazio hornitzailean, azpiestazio potentzial transformadore handizkako
Bidali kontsulta
Harremanetarako informazioa
  • Helbidea

    391. zenbakia, Jingqi Road, Yanpan Industrial Zone, Yueqing hiria, Zhejiang probintzia, Txina

  • Posta elektronikoa

    info@xifaele.com

Zure aurrekontua lehenbailehen lortzeko

XiFa-zure ekipo elektrikoen hornitzaile fidagarria
X
Cookieak erabiltzen ditugu nabigazio esperientzia hobea eskaintzeko, guneko trafikoa aztertzeko eta edukia pertsonalizatzeko. Gune hau erabiltzean, gure cookieen erabilera onartzen duzu. Pribatutasun politika
Baztertu Onartu