Potentzial transformatzailea PT
25 Kv Tresna Elektromagnetikoa Pt Potentzial Transformadorea
  • 25 Kv Tresna Elektromagnetikoa Pt Potentzial Transformadorea25 Kv Tresna Elektromagnetikoa Pt Potentzial Transformadorea

25 Kv Tresna Elektromagnetikoa Pt Potentzial Transformadorea

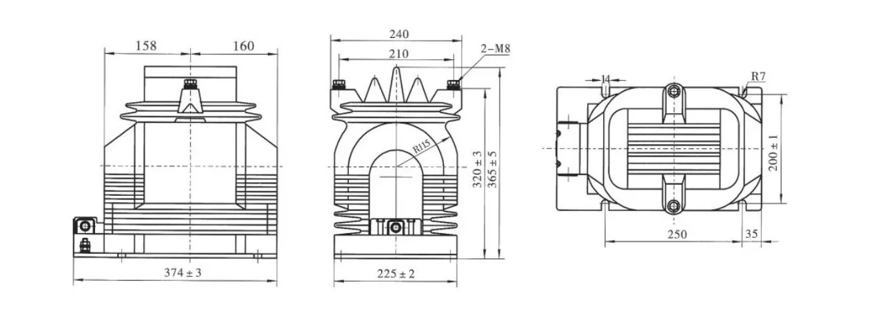
Wenzhou XiFa Electric Power Equipment Co., Ltd-k 10 urte baino gehiago ditu epoxi erretxina potentzial transformadoreak eta korronte transformadoreak ekoizteko, hala nola 25 kv-ko tresna elektromagnetikoko potentzial transformadore bat. 25kv-ko potentzial-transformadorea eskualdeko sareko tentsio espezifikoetarako da, hala nola Ipar Amerika eta Amerikako herrialde batzuetarako. 25kv-ko instrumentu elektromagnetikoa pt potentzial transformadore etiketatuta dagoen arren, onartutako estandarra 24kv-koa da. Wenzhou XiFa Electric Power Equipment Co., Ltd-k hainbat diseinu irtenbide heldu ditu zehaztasunari, isolamenduari eta erresistentzia mekanikoari buruzko 25 kv-ko tresna elektromagnetikoko potentzial transformadore bat lortzeko, bizitza luzeagoa duena.

Aholkuak erosi ondorenpotentzial transformatzailea:

1.Abian jarri aurretik, 25 kv-ko tresna elektromagnetikoko pt potentzial transformadore batek proba eta ikuskapen guztiak egin behar ditu, dagozkien arauek eta prozedurek eskatzen duten moduan. Horien artean, normalean, AC proba dielektrikoa, isolamendu-erresistentzia-proba, ratio-testa eta ikuskapen bisuala daude.

2. 25 kv-ko tresna elektromagnetikoko potentzial transformadorearen kableatu egokia ezinbestekoa da. Harilketa primarioa neurtutako zirkuituarekin paraleloan konektatu behar da, eta bigarren mailako harilkatua neurketa tresnen, babes-errele edo gailu automatikoen tentsio-bobinekin paraleloan konektatu behar da. Bitartean, polaritate zuzena mantentzeko arreta jarri behar da.

3. 25 kv-ko potentzial transformadorearen sekundarioari konektatutako kargak bere ahalmen nominalaren barruan egon behar du. Bigarren mailako karga nominala gainditzeak neurketa-erroreak areagotu ditzake, baita irakurketen zehaztasunean eragina ere.

4. 25 kv-ko potentzial transformadorearen sekundarioaren zirkuitu laburrak debekatuta daude. PTak barne-inpedantzia oso baxua duenez, zirkuitu laburrek korronte oso handiak sor ditzake, ekipo sekundarioak kaltetu ditzake eta segurtasun arrisku larria eragin dezake. Kalte horiek saihesteko, fusibleak instalatu behar dira PT sekundarioan. Bideragarria bada, lehen mailako alboko fusibleak ere erabili behar dira goi-tentsioko sarea babesteko, haize primarioan edo korronteetan akatsen kasuan.

5.Neurketa-tresnak edo erreleak maneiatzen dituzten langileen segurtasunerako, PT bigarren mailako harilkatzea puntu batean lurreratu behar da. Segurtasun pertsonala saihestu dezake tresnetan eta erreleetan tentsio altua agertzea lur-harremanaren ondoren isolamendua lehen eta sekundarioen artean kaltetzen denean.

6.Ez da inolaz ere PT zirkuitu sekundarioa zirkuitu laburtu behar.

25 Kv Instrument Electromagnetic Pt Potential Transformer

Fitxa teknikoa:

Mota Tentsio-erlazioa (kV) Zehaztasun Klasea Zehaztasun klasea eta irteera nominala cosΦ=0,8 Max. Irteera (VA)
0.2 0.5 3(P)
JDZ11-15 15/0.1 0,2 0,5 1 30 80 150 600
JDZ11-20 20/0.1
JDZ11-15 15/0.1/0.1 0,2/0,2 0,2/0,5 0,5/0,5 20 30 N/A 2*300
JDZ11-20 20/0.1/0.1
JDZ11-15 15/0.1/0.22 0,2/3P 0,5/3P 30 60 100 500
JDZ11-20 20/0.1/0.22

25 Kv Instrument Electromagnetic Pt Potential Transformer

Produktuen ohiko galderak:

G: Zein da 25 kV-ko tresna elektromagnetiko baten bigarren mailako tentsio estandarra?pt potentzial transformadore?

E: 25 kV-ko tresna elektromagnetikoko potentzial transformadore baten bigarren mailako tentsio estandarra 110 V-koa da normalean. Normalizazio honek neurketa eta babes-ekipoekin bateragarritasuna bermatzen du, tentsioaren neurketa zehatza eta sistema elektrikoaren funtzionamendu segurua ahalbidetzeko.


G: 25 kV-ko tresna elektromagnetikoko pt potentzial transformadore batek etengabe funtzionatu al dezake bere tentsio nominalaren % 115ean?

A: Bai, 25 kV-ko potentzial-transformadoreak etengabe funtzionatzeko gai da bere tentsio nominalaren % 115ean, betiere bigarren mailako zamak transformadorearen kalifikazio termikoa gainditzen ez badu. Gaitasun honek aldi baterako gain-tentsio-baldintzak ahalbidetzen ditu, PT-en osotasunean eragin gabe.


G: Zein da 25 kV-ko tresna elektromagnetikoko potentzial transformadore baten isolamendu-klase tipikoa?

A: 25 kV-ko potentzial transformadore batek normalean 25 kV arteko tentsioak jasateko aukera ematen duen isolamendu-klase bat du. Isolamendu-sistema baldintza normaletan eta akatsetan sortzen diren tentsio elektrikoei aurre egiteko diseinatuta dago, funtzionamendu fidagarria eta segurtasuna bermatuz.





Hot Tags: 25 Kv Instrumentu Elektromagnetikoak Pt Potentzial Transformadorearen fabrikatzailea, PT Elektromagnetikoa Potentzial Transformadore hornitzailea, Tresna PT Potentzial Transformadore handizkakoa
Bidali kontsulta
Harremanetarako informazioa
  • Helbidea

    391. zenbakia, Jingqi Road, Yanpan Industrial Zone, Yueqing hiria, Zhejiang probintzia, Txina

  • Posta elektronikoa

    info@xifaele.com

Zure aurrekontua lehenbailehen lortzeko

XiFa-zure ekipo elektrikoen hornitzaile fidagarria
X
Cookieak erabiltzen ditugu nabigazio esperientzia hobea eskaintzeko, guneko trafikoa aztertzeko eta edukia pertsonalizatzeko. Gune hau erabiltzean, gure cookieen erabilera onartzen duzu. Pribatutasun politika
Baztertu Onartu