Korronte Transformadorea CT
Erretxina Galdaketa Elektrikoa Ct Korronte-Transformadorea
  • Erretxina Galdaketa Elektrikoa Ct Korronte-TransformadoreaErretxina Galdaketa Elektrikoa Ct Korronte-Transformadorea
  • Erretxina Galdaketa Elektrikoa Ct Korronte-TransformadoreaErretxina Galdaketa Elektrikoa Ct Korronte-Transformadorea

Erretxina Galdaketa Elektrikoa Ct Korronte-Transformadorea

Wenzhou XiFa Electric Power Equipment Co., Ltd fabrikazio profesionala da ct korronte elektrikoko transformadore erretxina ekoizteko, non 10 kv-tik 35 kv-ko switchgear elektrikoa hartzen duen. Wenzhou XiFa-n, ekoizle taldeak epoxi erretxina hutsean igortzen du korronte-transformadorearen alboko burbuilak kentzeko eta gainazalean deskarga partziala saihesteko. Bien bitartean, erretxina cast elektrizitate ct korronte transformadoreak geruza anitzeko isolamendu egitura gisa diseinatuta dago tentsio-erresistentzian eta epe luzerako egonkortasunean errendimendu hobea lortzeko.

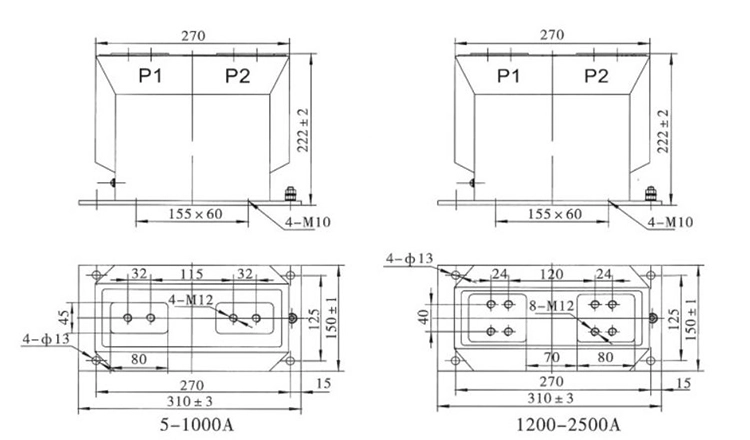
Erretxina galdatutako korronte elektrikoko ct korronte-transformadorea barruko, epoxi erretxina, hutsean egindako post motako unitate bat da, 10 kv-ko tentsio-mailako potentzia-sistemetarako diseinatua, 50 Hz-ko maiztasunarekin. Korrontea neurtzeko, energia neurtzeko eta babes-erreleetarako erabiltzen da nagusiki.

Erretxina galdatutako ct korronte elektrikoaren transformadoreak guztiz itxitako epoxi erretxina galdaketa-prozesua hartzen du, zeinetan nukleoa kalitate handiko material magnetikoz egina dagoen, eta bobina primarioa eta bigarren mailakoa nukleoarekin batera erretxinan txertatuta daude. Eraikuntza honek errendimendu bikaina eskaintzen du isolamenduan, hezetasunaren erresistentzian eta kutsaduraren erresistentzian. Erretxina galdatutako ct korronte-transformadore elektriko baten gainazalak ez du estaldura gehigarririk behar, eta korronte-transformadoreak hainbat posiziotan instalatu daitezke.

Barrutiak neurketa klaseak hartzen ditu, hala nola, 0.2S eta 0.5S, eta babes klaseak, esaterako, 10P10 eta 10P20. Erlazio anitzeko diseinua eskuragarri dago erretxinazko ct korronte elektrikoko transformadore batean, metalezko panel elektrikoetan erabiltzeko egokia izan dadin.

Resin Cast Electrical Ct Current TransformerResin Cast Electrical Ct Current Transformer

Fitxa teknikoa:

Mota Lehen mailako korronte nominala (A) Zehaztasun Klasea Zehaztasun klasea eta irteera nominala cosΦ=0,8 Shory-Time Korronte termikoa (kA/S) Korronte dinamiko nominatua (kA)
0,2 (s) 0,5 (s) 10P10 10P15 10P20
LZZBJ9-10 5-150 0,2s/0,5 0,2s/10P 0,2/10P 0,5s/10P 0,5/10P 10 10 15 15 10 100I1n 250I1n
200-300 31.5 80
400-500 45 112
600-1000 63 130
1200-1500 80 160
2000-2500 100 180

Resin Cast Electrical Ct Current Transformer

Produktuen ohiko galderak:

G: Zer parametro tekniko egiaztatu behar da erretxina cast elektrizitate korronte transformadore bat hautatzeko?

A: hautatzerakoan, funtsezko parametro hauek egiaztatu beharko dira:

1.Zehaztasun klasea: neurtzeko/neurtzeko (adibidez, 0,2 s edo 0,5) eta babeserako (adibidez, 10P10, 5P10, etab.).

2. Korronte primario nominala eta korronte sekundarioa (eraldaketa erlazioa).

3.Denbora laburreko korronte termikoa (Ith) eta denbora laburreko korronte jasateko ahalmena (matxura-baldintzetarako).

4.Isolamendu-mailak (tentsio-jasapena, inpultso-tentsio balorazioa, etab.).

5.Ingurumen-tolerantziak: Tenperatura tartea, altitudea, hezetasuna, kutsadura maila.

6. Zama: sekundarioak gidatu behar duen VA karga zehaztasuna urritu gabe.

G: Zein ingurune edo aplikaziotan dira bereziki egokiak erretxina galdatutako ct korronte-transformadore elektrikoak?

A: honako ingurune edo aplikazio hau egokia da erretxina botatako ct korronte-transformadore elektriko baterako:

1.Barruko switchgear, non espazioa mugatua den eta isolamendua funtsezkoa den.

2.Ingurune gogorretan edo kutsatuetan (hautsa, hezetasuna, produktu kimikoak), non irekitako piezak edo olioa degradatu daitezkeen.

3.Epe luzeetan neurketa egonkorra eta zehatza behar duten neurketa- eta babes-zirkuituetan.

4. Mantentze baxua eta fidagarritasun handia garrantzitsuak diren aplikazioak.

Hot Tags: Erretxina botatako korronte transformadoreen hornitzailea, CT transformadore elektrikoaren fabrikatzailea, pertsonalizatutako CT transformadoreen handizkakoa
Bidali kontsulta
Harremanetarako informazioa
  • Helbidea

    391. zenbakia, Jingqi Road, Yanpan Industrial Zone, Yueqing hiria, Zhejiang probintzia, Txina

  • Posta elektronikoa

    info@xifaele.com

Zure aurrekontua lehenbailehen lortzeko

XiFa-zure ekipo elektrikoen hornitzaile fidagarria
X
Cookieak erabiltzen ditugu nabigazio esperientzia hobea eskaintzeko, guneko trafikoa aztertzeko eta edukia pertsonalizatzeko. Gune hau erabiltzean, gure cookieen erabilera onartzen duzu. Pribatutasun politika
Baztertu Onartu