Korronte Transformadorea CT
Zauri mota 5p10 5p20 Ct 100 150 400 5a
  • Zauri mota 5p10 5p20 Ct 100 150 400 5aZauri mota 5p10 5p20 Ct 100 150 400 5a

Zauri mota 5p10 5p20 Ct 100 150 400 5a

Kalitate handiko transformadore potentzialak eta korronte transformadoreak hornitzeko, Wenzhou XiFa Electric Power Equipment Co., Ltd-k bezeroei zerbitzu pertsonalizatua onartzen die, hala nola 5p10 5p20 ct 100 150 400 5a zauri mota ekoitzi eta hornitzea. WenZhou XiFa elektrikoan, ekoizle-taldeak ohiko motako korronte-transformadoreen inbentarioa mantentzen du, hala nola 100/5a 10p10 0.5 korronte-transformadore bat, entrega azkarra bermatzeko. Hala ere, konpainiak zerbitzu pertsonalizatua onartzen du hainbat elektrizitate-eskaera asetzeko, hala nola hornidura-korronte-transformadorea, zeinaren babes-klasea 5p10 edo 5p20 den.

Zauri motako korronte-transformadorea korronte fidagarria neurtzeko eta babesteko diseinatuta dago tentsio ertaineko potentzia-sistemetan, hala nola 10kv 20kv eta 35kv. 100/5A, 150/5A eta 400/5A korronte ratioetan eskuragarri, eta 5P10 eta 5P20 babes-zehaztasun-klaseekin, 5p10 5p20 ct 100 150 400 5a zauri mota honek bigarren mailako korronte irteera zehatza eskaintzen du, bai aplikazioetarako, bai babes-neurgailuetarako, bai neurtzeko eta babesteko erreleetarako.

Nukleo magnetiko solidoekin eta bobina sekundarioekin fabrikatuta, zauri motako korronte transformadoreak errendimendu egonkorra bermatzen du zirkuitu laburren baldintzetan eta korronte eraldaketa zehatza ematen du gertaera iragankorretan ere. Bere isolamendu-sistema sendoak, sarritan epoxi edo goi-mailako erretxina barne hartuta, segurtasuna, bizitza luzea eta hezetasunarekiko eta ingurumeneko estresarekiko erresistentzia bermatzen du.

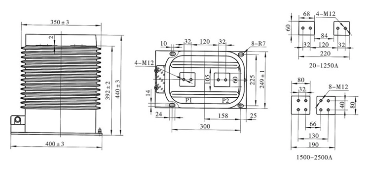
Zauri motako diseinuak malgua instalatzeko aukera ematen du etengailuetan, kontrol-paneletan eta banaketa-tauletan, erreleen babes-eskemetarako laguntza fidagarria emateko. Zauri-motako korronte-transformadorea ezin hobea da industria-plantak, merkataritza-instalazioak eta utilitateen banaketa-sareetarako, non korronte neurketa zehatza eta fidagarria ezinbestekoa den bai monitorizazio operatiboa bai babes-kontrolerako.

Wound Type 5p10 5p20 Ct 100 150 400 5a

Fitxa teknikoa:

Mota Lehen mailako korronte nominala (A) Zehaztasun Klasea Zehaztasun klasea eta irteera nominala cosΦ=0,8 Shory-Time Korronte termikoa (kA/S) Korronte dinamiko nominatua (kA)
0,2 (s) 0,5 (s) 10P10
LZZBJ9-35 20-100 0,2/0,2 0,2/0,5 0,2/5P20 0,5/5P20 0,2/0,5/5P 0,2/5P/5P 10 10 15 150I1n 375I1n
150-200 31.5 80
300-500 31,5/2 80
600-1250 15 30 20 31,5/4 80
1500-2000 20 40 30 40/4 125
2500 20 40 20 40/4 125


Mota Lehen mailako korronte nominala (A) Zehaztasun Klasea Edukiera (VA) Shory-Time Korronte termikoa (kA/S) Korronte dinamiko nominatua (kA)
LZZBJ9-35 10 0,2/10P10 0,5/10P10 0,2/5P20 0,5/5P20 0,2/0,5/10P10 0,2/0,5/5P20 0,2/10P10/5P20 0,5/10P10/5P20 15/20 20/20 15/20 20/20 15/20/20 15/20/20 15/20/20 20/20/20 1.5/1 3.75
20 2/1 5
30 3/1 7.5
40 4/1 10
50 5/1 12.5
75 7.5/1 18.75
100 10/1 25
150 15/1 37.5
200 20/1 50
300 31,5/1 80
400 31,5/2 80
500 31,5/2 80
600 31,5/2 80
800 31,5/3 80
1000 31,5/3 80
1200 31,5/3 80
1500 31,5/3 80
2000 31,5/3 80

Wound Type 5p10 5p20 Ct 100 150 400 5a

Produktuen ohiko galderak:

G: Zer esan nahi du "5P10 motako zauria" edo "5P20" 5p10 5p20 ct 100 150 400 5a zauri batean?

E: "Zauri-mota" terminoak CT-ak aipatzen ditu, non eroale primarioa nukleotik barrena busbarra edo barra bat baino hariztatua den. 5P10 edo 5P20 klaseak babesaren zehaztasuna adierazten du: 5P-k % 5eko errorea esan nahi du bigarren mailako korronte nominalean, eta 10 edo 20 zenbakia korronte primario nominalaren denbora laburrerako gehieneko multiploa da, zehaztutako errorea gainditu gabe.

G: Nola aukeratzen dut nire sistemarako CT balorazio zuzena?

A: Hautatu CT bat zure sistemaren gehienezko karga-korrontearen eta babes-baldintzen arabera. Adibidez, 100/5A CT egokia da 100 A inguruko korronte tipikoak dituzten zirkuituetarako, eta 400/5A korronte handiagoko elikadurarako diseinatuta dago. Aukeratu babes-klase bat (5P10 edo 5P20) errelearen akatsak hautemateko sentikortasunaren eta espero den zirkuitu laburren korrontearen arabera.

G: Zein ingurugiro-baldintza zauri daiteke 5p10 5p20 ct 100 150 400 5a motako zauriak?

E: Korronte-transformadore hauek –10 °C-tik +40 °C-ra bitarteko tenperaturetarako balio dute normalean, 1000 m-ko altuera maximoarekin. Etxebizitza-materialak eta isolamendu-sistemak hezetasuna, hautsa eta kutsadura erresistenteak diren funtzionamendurako diseinatuta daude, industria- eta zerbitzu-ezarpenetan babes-errendimendu fidagarria bermatzeko.




Hot Tags: Zauri mota 5p10 5p20 Ct 100 150 400 5a, korronte transformadoreen hornitzailea, neurketa transformadoreen handizkako salmenta
Bidali kontsulta
Harremanetarako informazioa
  • Helbidea

    391. zenbakia, Jingqi Road, Yanpan Industrial Zone, Yueqing hiria, Zhejiang probintzia, Txina

  • Posta elektronikoa

    info@xifaele.com

Zure aurrekontua lehenbailehen lortzeko

XiFa-zure ekipo elektrikoen hornitzaile fidagarria
X
Cookieak erabiltzen ditugu nabigazio esperientzia hobea eskaintzeko, guneko trafikoa aztertzeko eta edukia pertsonalizatzeko. Gune hau erabiltzean, gure cookieen erabilera onartzen duzu. Pribatutasun politika
Baztertu Onartu