Korronte Transformadorea CT
Zero Sekuentzia Ct Korronte Transformadorea Donut Mota
  • Zero Sekuentzia Ct Korronte Transformadorea Donut MotaZero Sekuentzia Ct Korronte Transformadorea Donut Mota
  • Zero Sekuentzia Ct Korronte Transformadorea Donut MotaZero Sekuentzia Ct Korronte Transformadorea Donut Mota

Zero Sekuentzia Ct Korronte Transformadorea Donut Mota

Kalitate sendoko zero sekuentzia ct korronte transformadore erroskila mota bat ekoizteko, Wenzhou XiFa Electric Power Equipment Co., Ltd-k kalitate oneko eta prezio lehiakorreko lehengaiak hartzen ditu. Harilatzeko prozesuan, Wenzhou XiFa-k oxigenorik gabeko kobrezko esmaltezko alanbrea hartzen du eroankortasun elektrikoa eta indar mekanikoa bermatzeko zero sekuentzia ct korronte transformadorearen erroskila mota bakoitzeko. Bien bitartean, nukleoa ekoizteko prozesuan, Wenzhou XiFa-k iragazkortasun magnetiko handiko siliziozko altzairu xafla erabiltzen du zero sekuentziako korronte txikiaren erantzun sentikorrean errendimendu bikaina mantentzeko.

Zero sekuentziako ct korronte transformadore bat bira bakarrekoa da, energia-sistemetan erabiltzen den nukleoko gailuaren bidez, zero sekuentziako korronteak kontrolatzeko. Babes-errele sistemen osagai kritiko gisa balio du, batez ere lur-matxurak, ihes-korronteak eta isolamenduaren monitorizazioa detektatzeko erabiltzen dena. Hiru faseko korronteen eta ondoriozko zero sekuentziako korronteen batura bektoriala detektatuz, zero sekuentziako ct korronte-transformadoreak babes-eragiketak eragin ditzake eta korronte baxuko lurrerako hautatzaileekin, harmonikoen kentze gailu digitalekin eta erreleen babes-unitateekin konektatu ditzake akatsen alertak emateko eta energia deskonektatzeko.

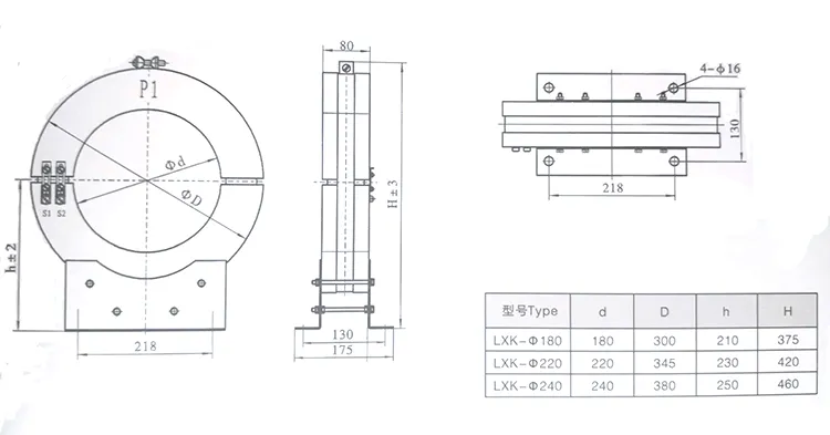
Egiturari dagokionez, zero sekuentziako ct korronte transformadoreak nukleo toroidal batez eta bigarren mailako harilkatuz osatuta dago, erretxina epoxiko edo silikonazko kautxuzko karkasa batean kapsulatutakoa, hezetasunaren erresistentzia eta kutsaduraren aurkako babesa eskaintzen duena. Instalazio aukeren artean solidoak daude, aldez aurretik pasatako kableak eta zatitutako nukleoen diseinuak behar dituena, kableak deskonektatu gabe berritzea ahalbidetzen dutenak.

Bateragarria da 50 Hz-ko potentzia-sistemekin, zeinak puntu neutroko hainbat konfiguraziotarako beharrezkoak diren sentsibilitatea eta linealtasuna eskaintzen baitu, lurretik eta lurrerik gabeko sistemak barne. Zero sekuentziako ct korronte transformadoreak sare adimendunetan, trenbide-garraioan, eraikuntzako sistema elektrikoetan eta industria-ekipoen monitorizazioan asko aplikatzen dira, akatsak detektatzeko eta sistema babesteko fidagarria izan dadin.

Zero Sequence Ct Current Transformer Donut TypeZero Sequence Ct Current Transformer Donut Type

Mota Errelebo mota Konexio metodoa Eskala Balioa Korronte primarioa Mota Errelebo mota Konexio metodoa Eskala Balioa Korronte primarioa
LXK-Φ80 LXK-Φ100 LXK-Φ120 LXK-Φ150 DD11/60 Seriea 15*1 2.4-4.5 LXK-Φ180 LXK-Φ220 LXK-Φ240 DD11/60 Seriea 15*1 2.4-4.5
30*1 30*1
Paraleloa 15*2 3-5 Paraleloa 15*2 3-5
30*2 30*2
DD1/60 Seriea 15*1 3-5 DD1/60 Seriea 15*1 3-5
30*1 30*1
Paraleloa 15*2 3-6 Paraleloa 15*2 3-6
30*2 30*2

Zero Sequence Ct Current Transformer Donut Type

Produktuen ohiko galderak:

G: Zer da donut motako zero sekuentzia ct korronte transformadore bat?

Donut motako zero sekuentziako CT korronte transformadorea hiru faseko sistemetan zero sekuentziako korronteak detektatzeko diseinatutako nukleo bidezko gailu bat da. Bere nukleo toroidalari esker, eroale primarioa erdigunetik igarotzen da, lurreko matxurak, ihes-korronteak eta isolamendu-baldintzen monitorizazio ez-intrusiboa eskainiz.

G: Nola egiten du erroskila mota zero sekuentzia ct korronte transformadorearen irteera seinalea?

A: Donut motako zero sekuentziako ct korronte transformadoreak zero sekuentziako korrontea tentsio proportzionala edo bigarren mailako korronte bihurtzen du doitasun handiko harilkatzea eta Rogowski bobina teknologia erabiliz. Irteera hau errele, neurgailu eta monitorizazio sistemekin bateragarria da matxurak azkar eta zehatz detektatzeko.

G: Zeintzuk dira erroskila motako zero sekuentzia ct korronte transformadorearen aplikazio tipikoak?

A: Donut motako zero sekuentzia ct korronte-transformadorea normalean erabiltzen da:

1.Ground akatsen babesa eta ihes-korrontearen detekzioa;

2.Point neutroaren monitorizazioa potentzia banatzeko sistemetan;

3.Babes digitalaren erreleekin, harmoniko kentzeko gailuekin eta sare adimendunen monitorizazio sistemekin integratzea.

4.Ekipo industrialak, eraikinen sare elektrikoak eta trenbide-garraioko sistemak.




Hot Tags: Zero Sekuentzia CT korronte transformadorea, Donut motako CT, Lurraren matxura babesteko transformadorea
Bidali kontsulta
Harremanetarako informazioa
  • Helbidea

    391. zenbakia, Jingqi Road, Yanpan Industrial Zone, Yueqing hiria, Zhejiang probintzia, Txina

  • Posta elektronikoa

    info@xifaele.com

Zure aurrekontua lehenbailehen lortzeko

XiFa-zure ekipo elektrikoen hornitzaile fidagarria
X
Cookieak erabiltzen ditugu nabigazio esperientzia hobea eskaintzeko, guneko trafikoa aztertzeko eta edukia pertsonalizatzeko. Gune hau erabiltzean, gure cookieen erabilera onartzen duzu. Pribatutasun politika
Baztertu Onartu